Steam spray system

The steam spray pipe installed in the wind port at the back of the kiln, it is a long steel pipeline, and spread a row little holes for steam evenly. During the drying work time, when the gas medium lower than the standard in the kiln,the steam spray control valve will open automatically, let the steam pass through the holes on the steam spry pipe and spray steam in the kiln, until the humidity of gas medium reach the standard, to confirm the effect of the drying timber.
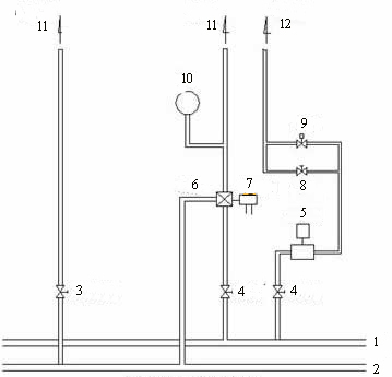
1.Main water inlet pipe
2.Main water outlet pipe
3.hand valve of returning water pipeline
4.hand valve
5.heat pumps
6.Returning water pipeline
7.T-joint high temperature electric control valve
8.ball valve
9.Electromagnetic valve
10.pressure gauge
11.connect heating pipeline
12.connect spraying system |