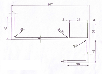
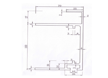
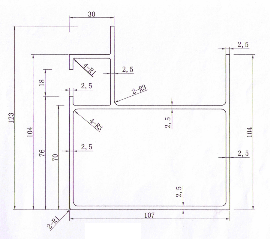
The section of the equipment